USE DISCOUNT CODEEXPERT30TO SAVE $30 USD
USB2.0 ETH Adapter via USB HUB not being detected
elessargr , 02-07-2026, 10:09 AM
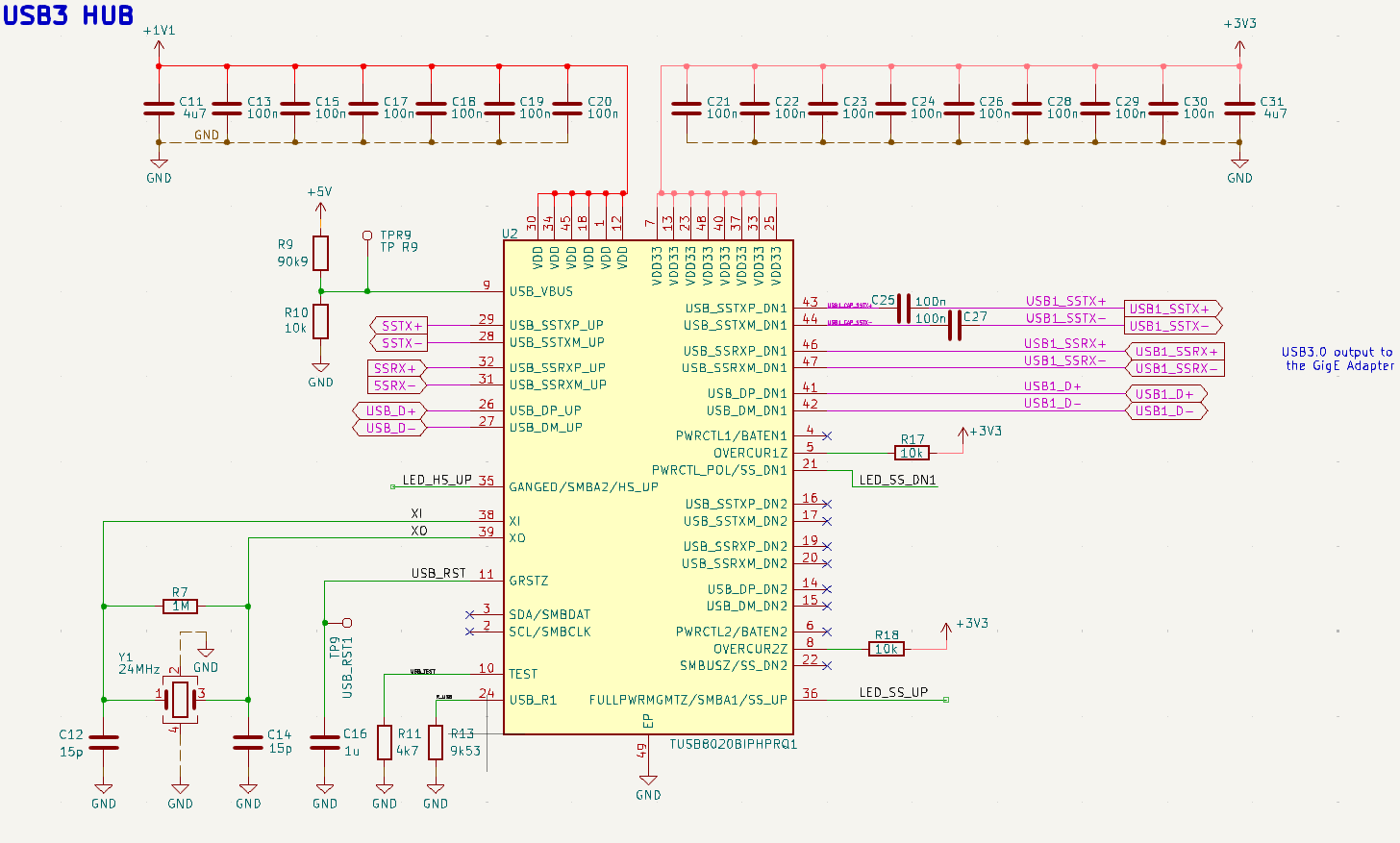
Hello to all!I would like to kindly request your assistance with an interesting issue I am facing in one of my projects.I have a USB3.0 HUB (TUSB8020BIPHPRQ1) which on the one of the downstream ports I have an USB3.0 ETH adapter (RTL8153B-VB-CG) connected to it.If I plug the PCB to a USB3.0 or a USB2.0 the PC is detecting the ETH adapter with no issue.If the PC is power off (shutdown) and I plug the PCB when its connected to a USB3.0 port all is working fine after PC power upBUTwhen I plug it to a USB2.0 and then power up the PC the ETH adapter is not detected.I have some TPs for the power rails and it seems all values are the same on both USB3.0 and USB2.0.Also I have made on my latest prototype easy pins for quick reset of the pin11 in the USB HUB and even if I do the reset the issue remains.Interesting enough if I plug the PCB to a USB2.0 when a computer is power on and detect the ETH adapter and then do the reset on the USB HUB the ETH adapter is not detected again.Attaching some schematics to help.I would really appreciate any recommendations on how to tackle this or do more tests to pin point what causes this issue so I can fix it on my next prototype.Thanks again!!ElessarGR


QDrives , 02-07-2026, 08:13 PM
You can try to see using Wireshark what is communicated between hub and pc and adapter and PC.
elessargr , 02-07-2026, 09:56 PM
Hello QDrives!Thanks for the reply!qq why use Wireshark on this?afaik wireshark is to inspect the network packages.So if it doesnt detect it on the USB2.0 how it would see if there is something wrong?
QDrives , 02-07-2026, 11:36 PM
Wireshark can capture USB messages as well.**IF** There is at least some communication, you can see it there.Alternatively, if there is nothing: do you have the 1.5kΩ pull-up resistor on the D+ line to indicate full speed?
elessargr , 02-08-2026, 12:29 AM
> do you have the 1.5kΩ pull-up resistor on the D+ line to indicate full speed?No D+ of the ETH IC doesnt have any resistor on it. I dont believe I have seen a reference for it that is needed.
elessargr , 02-08-2026, 12:29 AM
I will do some check then with Wireshark tomorrow
elessargr , 02-08-2026, 12:29 AM
and share the findings
elessargr , 02-08-2026, 12:33 PM
okay so,Also with the Wireshark, with USBpcap, it does not see the downstream IC "Device" for ETH. I tried to reset the port and device via the USBTreeView that I have and still nothing. Its only showing the second IC "Device" I have on the downstream port.
elessargr , 02-08-2026, 12:33 PM
So the through the USB port there isnt any communication or negotiation (handshake) that tries to be done and failing from the look of it from what I understand/seeing.
elessargr , 02-08-2026, 12:35 PM
- When plugged to a USB2.0 and the PC starts the PC sees only the one downstream IC (Port2) which is always in a USB2.0 from the HUB.If I do rst of the HUB, by grounding pin11 of HUB, nothing changes.- When plugged into a USB2.0 and the PC works and detect both downstream ports on the HUB (ETH & port2) then do a rst on the pin11 on the HUB the ETH gets lost again.
QDrives , 02-08-2026, 08:22 PM
Do you get the correct start-up (idle) signal?https://www.youtube.com/watch?v=N0O5Uwc3C0o
elessargr , 02-08-2026, 08:41 PM
Well I need an oscilloscope to see the initiate phase I guess correct?He talks for this (D-/+) at the 1:26-2min I think.Any specific time to look at the video?
QDrives , 02-08-2026, 08:47 PM
Well, if the discovery does not start, you could simply use a multimeter.The 'signal' he mentions at around 1:36. For your product, the D+ would have the pull-up (=full-speed or high speed).
elessargr , 02-08-2026, 09:01 PM
So pull-up we mean more than 0 🙂
elessargr , 02-08-2026, 09:01 PM
yes a multimeter I have
QDrives , 02-08-2026, 09:07 PM
In this video https://youtu.be/wdgULBpRoXk?t=360 you also see "idle state".And yes, the differential voltage should be more than 0V.If you only have 0V, you could add a 1.5kΩ pull-up to D+ and see if that fixes your problem.
elessargr , 02-08-2026, 09:51 PM
okay so I need to check the D+ if its 0V or more. If its 0V I can put a resistor to pull-up the D+ to High-Speed.This would not impact the SuperSpeed of USB3.0 correct?Like the PCB works fine when I plug it to USB3.0 but having issues with USB2.0.
QDrives , 02-08-2026, 11:44 PM
The pull-up on D+ is just for USB 2.
elessargr , 02-08-2026, 11:53 PM
Then how can I avoid having issues and make it work for both USB2.0 and USB3.0?
QDrives , 02-08-2026, 11:57 PM
I though you said USB 3 works?The pull-up is only for the USB 2 connection as it is on the D+ line and not on the super speed lines.
elessargr , 02-09-2026, 12:01 AM
Yes with USB3.0 there is no issue.Even when PC is shutdown and we power it up then the PC detect the ETH IC. The issue is only present when the I plug the PCB to a USB2.0 and then powering up the PC or I do a reset of the HUB IC.
QDrives , 02-09-2026, 01:07 AM
So measure D+ compared to Gnd (0V USB),measure D- compared to Gnd (0V USB)and measure D+ compared to D-.
elessargr , 02-09-2026, 04:54 PM
Here are the values with the tests I did.USB2.0 USB1_D+ Measurement to GND- 1.1- PC is power off. The USB1_D+ is 3V- 1.2- PC is power on after shutdown and I have left the PCB plugged. The USB1_D+ is 0.11V. Port1 (ETH) not detected (not HS not FS). Not a proper state- 1.3- PC is power on and after re-plugging the PCB the USB1_D+ is 0.004-002V. Port1 (ETH) detected as HS. Proper stateUSB3.0 USB1_D+ Measurement to GND- 2.1- PC is power off. The USB1_D+ is 0.11V- 2.2- PC is power on after shutdown and I have left the PCB plugged. The USB1_D+ is 0.11V. Port1 (ETH) detected as SS. Proper state- 2.3- PC is power on and after re-plugging the PCB the USB1_D+ is 0.011-017V. Port1 (ETH) detected as SS. Proper stateUSB2.0 USB1_D- Measurement to GND- 3.1- PC is power off. The USB1_D- is 0.012V- 3.2- PC is power on after shutdown and I have left the PCB plugged. The USB1_D- is 0.012V. Port1 (ETH) not detected (not HS not FS). Not a proper state- 3.3- PC is power on and after re-plugging the PCB the USB1_D- is 0.002V. Port1 (ETH) detected as HS. Proper stateUSB3.0 USB1_D- Measurement to GND- 4.1- PC is power off. The USB1_D- is 0.012V- 4.2- PC is power on after shutdown and I have left the PCB plugged. The USB1_D- is 0.017V. Port1 (ETH) detected as SS. Proper state- 4.3- PC is power on and after re-plugging the PCB the USB1_D- is 0.018V. Port1 (ETH) detected as SS. Proper state
elessargr , 02-09-2026, 04:54 PM
USB2.0 Measurement USB1_D+ <> USB1_D-- 5.1- PC is power off. The USB1_D+/D- diff is 2.95V- 5.2- PC is power on after shutdown and I have left the PCB plugged. The USB1_D+/D- diff is -0.000/0.000V. Port1 (ETH) not detected (not HS not FS). Not a proper state- 5.3- PC is power on and after re-plugging the PCB the USB1_D+/D- diff is -0.000/0.000V. Port1 (ETH) detected as HS. Proper stateUSB3.0 Measurement USB1_D+ <> USB1_D-- 6.1- PC is power off. The USB1_D+/D- diff is 0.000V- 6.2- PC is power on after shutdown and I have left the PCB plugged. The USB1_D+/D- diff is 0.000V. Port1 (ETH) detected as SS. Proper state- 6.3- PC is power on and after re-plugging the PCB the USB1_D+/D- diff is 0.000V. Port1 (ETH) detected as SS. Proper state
QDrives , 02-09-2026, 09:59 PM
How come in 1.1 (and 5.1) that D+ is high?1.2 is not correct, unless there is some other issue as well:- Make sure you remove all "unknown devices" from your PC. You may want to show "hidden" devices too.- Check that the PC is not giving you a message "unable to detect device".Can you check D+ also with an oscilloscope? It does not need to be a fast one as we are only interesting in the initials sequence that runs at 12Mbit/s.Do note that in 3.2, the voltage of D- **is** the proper state.
elessargr , 02-09-2026, 11:50 PM
btw which D+ you are talking about?Because I have three.- One between PC to MUX (MUX since I use USB-C)- One between MUX to HUB- One between HUB to ETH (This is what I measured. USB1_D+/-)
elessargr , 02-09-2026, 11:51 PM
> How come in 1.1 (and 5.1) that D+ is high?No idea 🙂
elessargr , 02-09-2026, 11:55 PM
> 1.2 is not correct, unless there is some other issue as well:> - Make sure you remove all "unknown devices" from your PC. You may want to show "hidden" devices too.I dont have any unknown or hidden devices 🙂> - Check that the PC is not giving you a message "unable to detect device".I havent seen anything. Also it doesnt shows anything plugged to port 1 under the USBTreeViewer which would be showing something if there was an issue with the communication. I had a similar issue on 2 previous version of my prototype.
elessargr , 02-09-2026, 11:56 PM
> Can you check D+ also with an oscilloscope? It does not need to be a fast one as we are only interesting in the initials sequence that runs at 12Mbit/s.I dont have one 🙁 I will ask a friend to see if he can check this for me. Can you share more details what to look for this so I can tell him?
elessargr , 02-09-2026, 11:58 PM
> Do note that in 3.2, the voltage of D- is the proper state.hmm interesting. So if this is on the proper state it should be detected though no?
QDrives , 02-10-2026, 01:33 AM
The D+ between hub and ETH, unless your hub itself is not detected.
QDrives , 02-10-2026, 01:35 AM
You can see that in the videos I provided a link to.It is the D+ going high, and then the process starts... at least, it should start.
QDrives , 02-10-2026, 01:35 AM
No, D- should be low and D+ should be high.
QDrives , 02-10-2026, 05:09 PM
What you could also do:When the PC does not detect the ETH via USB 2: attach a 1.5k...3k3 resistor between 3.3V and D+.If it then detects the ETH, you may want to see if added the resistor 'permanently' fixes the problem.
Use our interactive
Discord forum to reply or ask new questions.